管道液位開關
- ●:采用不銹鋼、塑料或PTFE外殼的電容式傳感器
- ●:多種結構、外殼材料和物美價廉的規格可供選擇 匹配和設置十分簡單
- ●:自粘型號,固定方便靈活
- ●:用于探測塑料顆粒、谷物、飼料/木料顆粒、油品、含水液體、酸、堿、導電粉塵等材料的填充位
●電容式接近傳感器
電容式接近傳感器可用無接觸的方式來檢測任意一個物體.電容式接近開關能檢測金屬物體,也能檢測非金屬物體,不管被檢測物體顏色和表面狀態如何,是否透明,都可以可靠檢測,靈敏度可調旋鈕,對密閉的非金屬容器內的液體,粉體等材料可進行間接檢測.幾乎可以識別所有的材料.
●工作原理
電容式接近開關亦屬于一種具有開關量輸出的位置傳感器,首先需測量傳感器感應面電極和電路電位電極之間的電容,一個接近的物體影響這個電容器兩極之間的電場.該原理不僅適用于金屬物,也適用于非金屬物.電容式傳感器一般通過一個RC振蕩器工作,即使是一個很小的電容變化都會影響其振幅.然后集成電路將振幅換成開關信號,其靈敏度可以通過電位器調節.

管道靜電容接近開關 | ||||||
特性 | ||||||
| 外徑8...11 | mm | 檢測距離 0...13 | ||||
| 壁厚0...1 | mm | |||||
| 行程差 | 實際感應距離Sr的1...15% | |||||
| 重復誤差率 | ≤3% | |||||
| 環境濕度 | 30…90%RH | |||||
| 防護等級 | IP 65和IP 67 | |||||
| 儲存溫度 | ℃ | - 10...+ 65 | ||||
| 運行溫度 | ℃ | - 10...+ 65 | ||||
| 材料 | 外殼 | 非金屬 | ||||
| 電纜 | PVR | |||||
| 振動阻抗 | 根據KJT-Y | 25 gn,振幅 ± 2 mm (f = 10...55 Hz) | ||||
| 沖擊阻抗 | 根據KJT-Y | 50 gn,持續 11 ms | ||||
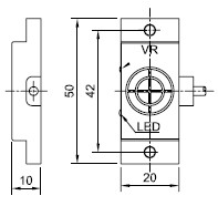
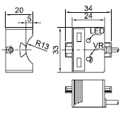
| 輸出狀態指示 | LED指示燈 | |||||
| 額度電壓 | V | c 12...24,帶極性反接保護 | ||||
| 電壓范圍(包括脈動) | V | c 10...36 | ||||
| 空載電流損耗 | mA | ≤ 10 | ||||
| 開關容量 | mA | ≤ 200,帶過載和短路保護 | ||||
| 通態壓降 | V | ≤ 2 | ||||
| 開關頻率 | 8...11 | Hz | 20 | |||
| 延遲 | 啟動 | ms | ≤ 10 | |||
| 響應 | ms | ≤ 0.2 | ||||
| 復位 | ms | ≤ 0.2 | ||||








